नयाँ ट्यूबलर टिप ओभर स्विच

टिप ओभर स्विच एक भरपर्दो र महत्वपूर्ण सुरक्षा सुरक्षा उपकरण हो। यसको उपस्थितिले हाम्रो दैनिक प्रयोगमा विभिन्न अपराइट उपकरणहरूको परिचालन सुरक्षालाई उल्लेखनीय रूपमा बढाउँछ।


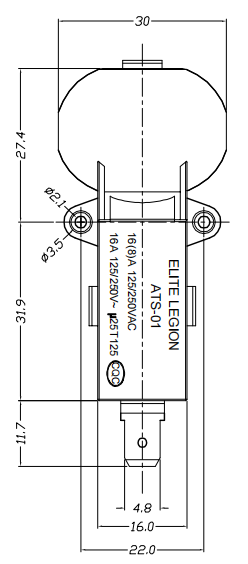
हाम्रा ग्राहकहरूको बढ्दो मागहरू पूरा गर्न, हामी हाम्रो नयाँ ट्युबुलर टिप ओभर स्विच प्रस्तुत गर्दैछौं। यो मोडेलले हाम्रा अघिल्ला डिजाइनहरूबाट एक फरक फारम कारकको सुविधा दिन्छ, यसले थप कम्प्याक्ट फुटप्रिन्ट प्रदान गर्दछ जसले यसलाई ट्युबुलर संरचनाहरूमा एकीकरणको लागि उपयुक्त बनाउँछ, जस्तै पेडेस्टल फ्यानहरू, टावर फ्यानहरू, र समान उपकरणहरूमा पाइने।

  

दुर्घटनावश टिपिङ वा उपकरणको अत्यधिक झुकावको घटनामा, यो स्विचले स्वचालित रूपमा बिजुली आपूर्ति बन्द गर्दछ। यो कार्य सम्भावित खतराहरू जस्तै आगो, बिजुली झटका, र उपकरणमा क्षति हुनबाट रोक्नको लागि आवश्यक छ।


सोधपुछ पठाउनुहोस्

हाम्रा उत्पादनहरू वा मूल्यसूचीको बारेमा सोधपुछको लागि, कृपया हामीलाई तपाईंको इमेल छोड्नुहोस् र हामी 24 घण्टा भित्र सम्पर्कमा हुनेछौं।

अब सोधपुछ
X
We use cookies to offer you a better browsing experience, analyze site traffic and personalize content. By using this site, you agree to our use of cookies. Privacy Policy